当您设计新电力电子产品时,您的目标任务一年比一年更艰巨。高效率是首要要求,但以更小的尺寸和更低的成本提供更高的功率是另一个必须实现的特性。SiCMOSFET是一种能够满足这些目标的解决方案。以下重要技巧旨在帮助您创建基于SiC半导体的开关电源,其应用领域包括光伏系统、储能系统、电动汽车(EV)充电站等。为何选择SiC?为了证明您选择SiCMOSFET作为开关模式设计的首选功率半导体是正确的,请考虑
芯城品牌采购网
22256
当您设计新电力电子产品时,您的目标任务一年比一年更艰巨。高效率是首要要求,但以更小的尺寸和更低的成本提供更高的功率是另一个必须实现的特性。SiCMOSFET是一种能够满足这些目标的解决方案。以下重要技巧旨在帮助您创建基于SiC半导体的开关电源,其应用领域包括光伏系统、储能系统、电动汽车(EV)充电站等。为何选择SiC?为了证明您选择SiCMOSFET作为开关模式设计的首选功率半导体是正确的,请考虑
芯城品牌采购网
22256
文章介绍了采用表面贴装封装设计LITTLEFOOT®功率MOSFET的过程。它描述了功率MOSFET的驱动电感性负载,公共栅极驱动器以及磁盘驱动器应用以及公共栅极级的驱动电容性负载。VishaySiliconix的LITTLEFOOT功率MOSFET将强大的功率处理能力封装在纤巧的表面贴装封装中。标准概述的8引脚SOIC封装(图1)具有铜引线框架,可最大程度地提高热传递,同时保持与现有表面贴装技术
芯城品牌采购网
19165
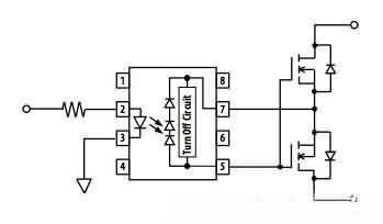
工程师已经研究和开发了可以代替机械继电器的固态继电器设备。与机械继电器相比,这些固态继电器具有更高的可靠性,更快的切换时间,没有切换弹跳以及更小的尺寸。但是随着这些优点的出现,带来了使设计人员和用户不愿使用固态继电器的缺点。诸如较高的成本和较高的相对导通电阻的缺点。本文讨论了汽车级光伏驱动器和分立MOSFET,以形成光隔离的固态继电器。借助光伏驱动器,设计人员可以从广泛的汽车级MOSFET产品组合
芯城品牌采购网
19948
本应用笔记介绍了从MOSFET漏极驱动的ZCD(零电流检测)引脚。该文档描述了标准的ZCD配置及其替代和电阻器配置。CS1601采用ZCD(零电流检测)设计,当流过升压电感器的电流接近零时,该控制器便具有开启MOSFET的能力。这也可以描述为谷/零交叉切换。这是通过在PFC扼流圈上添加检测绕组来检测电流来实现的。如果由于设计或制造方面的限制而在升压电感器上添加辅助绕组成为问题,那么下面将介绍实现此
芯城品牌采购网
19795
近日,安森美公布了2022年第三季度业绩,其三季度业绩直线上扬,总营收21.93亿美元,同比增长25.86%;毛利10.58亿美元,同比增长46.82%。财报数据显示,其三大业务中,智能电源组营收为11.16亿美元,同比增长25.1%;高级解决方案组营收7.34亿美元,同比增长19.7%;智能感知组营收为3.42亿美元,同比增长44.7%,三大业务全线保持增长。自安森美总裁兼首席执行官Hassan
芯城品牌采购网
20093
021年6月8日–推动高能效创新的安森美半导体(ONSemiconductor,美国纳斯达克上市代号:ON),发布一对1200V完整的碳化硅(SiC)MOSFET2-PACK模块,进一步增强其用于充满挑战的电动车(EV)市场的产品系列。随着电动车销售不断增长,必须推出满足驾驶员需求的基础设施,以提供一个快速充电站网络,使他们能够快速完成行程,而没有“续航里程焦虑症”。这一领域的要求正在迅速发展,需
芯城品牌采购网
21232